Honda CT 110

suchy
Beiträge: 930
Registriert: Di 7. Jun 2011, 19:53
Fahrzeuge: Honda JAZZ und Honda ST 125 (ab 2023)
Wohnort: 97714 Oerlenbach
Alter: 64

Re: Honda CT 110

Beitrag von suchy »

Super :superfreu:

Und was hast du nun gemacht ?
Welche Zündspule wurde verwendet, die von mir mit der Batterieversorgung oder eine die deine 6 Volt Dax im Rahmen hat.

Ist das jetzt ein Motor mit Batteriezündung oder nicht ?
Fuhrpark: Honda ST70 und Honda VT500C :-)

sfritzle
Beiträge: 93
Registriert: Sa 6. Dez 2014, 13:42
Fahrzeuge: C50, ST50, PC50, CT110,
Wohnort: im Süd-Westen
Alter: 66

Re: Honda CT 110

Beitrag von sfritzle »

suchy hat geschrieben:Super :superfreu:

Und was hast du nun gemacht ?
Welche Zündspule wurde verwendet, die von mir mit der Batterieversorgung oder eine die deine 6 Volt Dax im Rahmen hat.

Ist das jetzt ein Motor mit Batteriezündung oder nicht ?
Hey Suchy

Deine Zündspule hab ich genommen, das Pluskabel auf Masse gelegt und das Minus an Unterbrecher und Ladespule (Im Generator)
Im Prinzip wie bei der 6V Dax, nur das die Zündspulen dort im Inneren auf Masse verbunden sind.

Grüße sfritzle
Die Lösung für alle Probleme dieser Welt kann man in nur einem Wort zusammenfassen. Genügsamkeit.

sfritzle
Beiträge: 93
Registriert: Sa 6. Dez 2014, 13:42
Fahrzeuge: C50, ST50, PC50, CT110,
Wohnort: im Süd-Westen
Alter: 66

Re: Honda CT 110

Beitrag von sfritzle »

suchy hat geschrieben: Ich bin ja mal gespannt wenn der neue Auspuff mit der neuen großen Blende daran aussieht.

Achja der hintere Bremslichtschalter kannst du genauso wie die Feder von deiner grünen Dax abbauen, sollte passen.

1981 Modell, das erste Baujahr der CT 110 mit Untersetzungsgetriebe.
Der neue Auspuff
IMG_2328.JPG
Bremslichtschalter passend gemacht
IMG_2323.JPG
neuer Zündkerzenstecker, obwohl der Erste super funktionierte
IMG_2317.JPG
Benzinhahn ist undicht, warscheinlich Kunststoffscheibe vom trockenstehen eingeschrumpft, in Bremsflüssigkeit eingelegt wirds schon wieder.
IMG_2329.JPG
Nicht schön !
Die hintere Felge wird mal einer guten gebauchten weichen müssen.
IMG_2325.JPG
Die fehlende Fussraste hab ich durch eine von der Dax ersetzt, eine abgeänderte Vordere.

HA! wer schraibfähler findet darf sie behalten !
Die Lösung für alle Probleme dieser Welt kann man in nur einem Wort zusammenfassen. Genügsamkeit.

sfritzle
Beiträge: 93
Registriert: Sa 6. Dez 2014, 13:42
Fahrzeuge: C50, ST50, PC50, CT110,
Wohnort: im Süd-Westen
Alter: 66

Re: Honda CT 110

Beitrag von sfritzle »

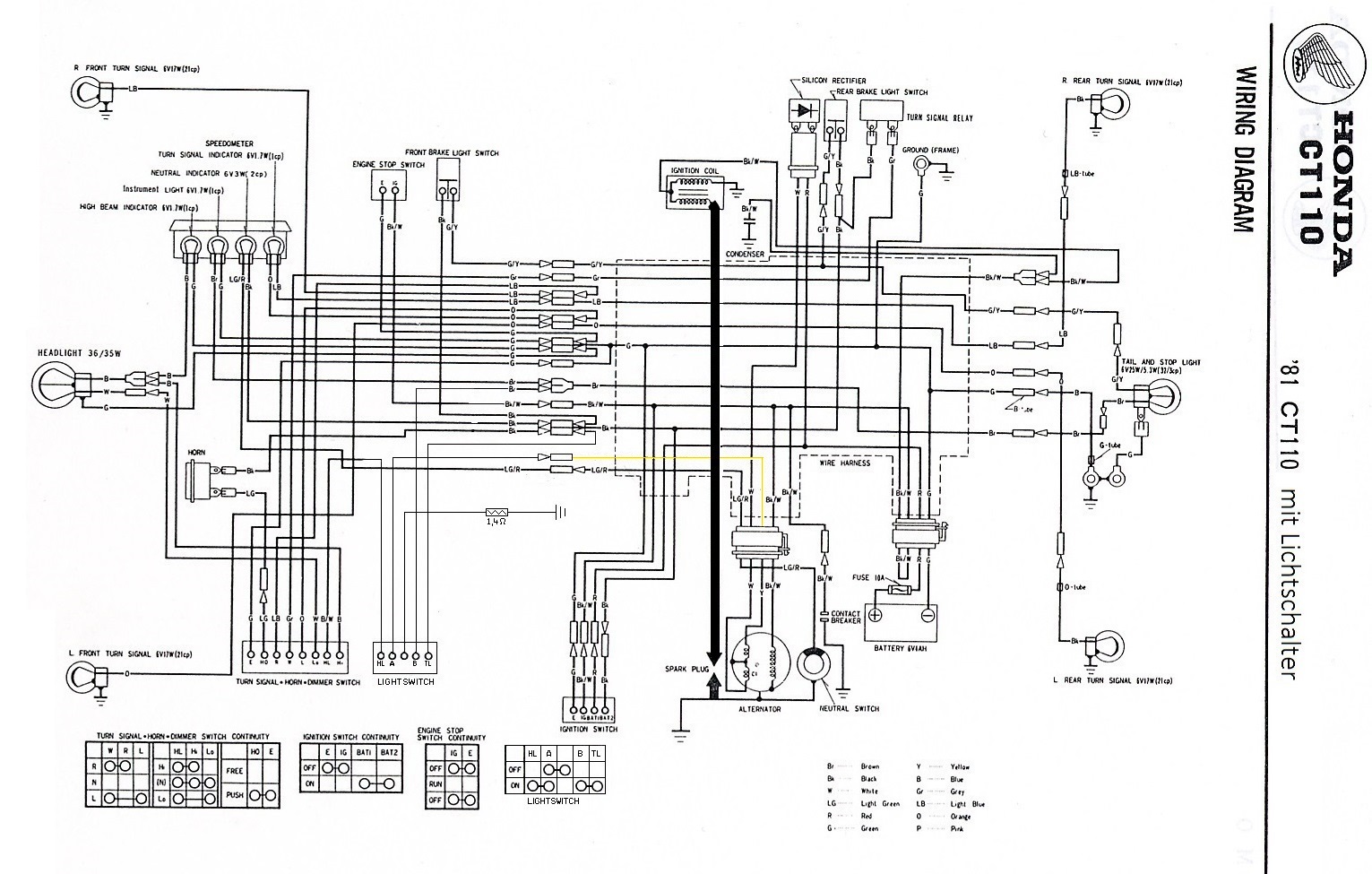
Stromlaufplan der Zündug extrahiert.
Zündung 81er CT110.jpg
Die Lösung für alle Probleme dieser Welt kann man in nur einem Wort zusammenfassen. Genügsamkeit.

crischan
Beiträge: 3267
Registriert: Mo 26. Jul 2010, 15:17
Fahrzeuge: Innova
Wohnort: Fuhrberg
Kontaktdaten:

Re: Honda CT 110

Beitrag von crischan »

Klingt als würde die Reanimation gelingen :thumbup: Und dann? wieder richtig auf die Räder und fahren? Würde mich sehr freuen.

sfritzle
Beiträge: 93
Registriert: Sa 6. Dez 2014, 13:42
Fahrzeuge: C50, ST50, PC50, CT110,
Wohnort: im Süd-Westen
Alter: 66

Re: Honda CT 110

Beitrag von sfritzle »

crischan hat geschrieben:Klingt als würde die Reanimation gelingen :thumbup:
Was hast du erwartet :?: achso, ich bin ja neu hier :stirn:
crischan hat geschrieben:Und dann? wieder richtig auf die Räder und fahren? Würde mich sehr freuen.
Reanimation ist die richtige Umschreibung, keine Restauration, soll gefahren werden !

Grüße sfritzle.de
Die Lösung für alle Probleme dieser Welt kann man in nur einem Wort zusammenfassen. Genügsamkeit.

sfritzle
Beiträge: 93
Registriert: Sa 6. Dez 2014, 13:42
Fahrzeuge: C50, ST50, PC50, CT110,
Wohnort: im Süd-Westen
Alter: 66

Re: Honda CT 110

Beitrag von sfritzle »

die neuen Schuhe sind auch schon da !
IMG_2335.JPG
Die Lösung für alle Probleme dieser Welt kann man in nur einem Wort zusammenfassen. Genügsamkeit.

sfritzle
Beiträge: 93
Registriert: Sa 6. Dez 2014, 13:42
Fahrzeuge: C50, ST50, PC50, CT110,
Wohnort: im Süd-Westen
Alter: 66

Re: Honda CT 110

Beitrag von sfritzle »

IMG_2334.JPG
Die Lösung für alle Probleme dieser Welt kann man in nur einem Wort zusammenfassen. Genügsamkeit.

sfritzle
Beiträge: 93
Registriert: Sa 6. Dez 2014, 13:42
Fahrzeuge: C50, ST50, PC50, CT110,
Wohnort: im Süd-Westen
Alter: 66

Re: Honda CT 110

Beitrag von sfritzle »

Daily News
Das Zündschloss musste ich zerlegen, ein Kontaktplätchen war verklemmt und schaltete den Stom nicht weiter. :(
IMG_2338.JPG
Die Elektrik unterhalb der Gürtellinie ist fertig, alles funktioniert :sonne: außer Lichschalter und vorderer Bremslichtschalter.
IMG_2337.JPG
Für jetzt ist ersmal gut, Heute ist Stammtich, Männerstammtisch wie immer im Freien !
Die Lösung für alle Probleme dieser Welt kann man in nur einem Wort zusammenfassen. Genügsamkeit.

sfritzle
Beiträge: 93
Registriert: Sa 6. Dez 2014, 13:42
Fahrzeuge: C50, ST50, PC50, CT110,
Wohnort: im Süd-Westen
Alter: 66

Re: Honda CT 110

Beitrag von sfritzle »

Die neuen Gummi's sind montiert, Bremslichtschalter ist auch angeschlossen.
IMG_2341.JPG
Bissl mühsam, aufpumpen mit der Fahrradpumpe.
IMG_2340.JPG
Die Lösung für alle Probleme dieser Welt kann man in nur einem Wort zusammenfassen. Genügsamkeit.

Benutzeravatar
Bernd
Beiträge: 8688
Registriert: So 6. Mär 2011, 18:28
Fahrzeuge: Honda SH150i, KF13, silber, 2017
Wohnort: Göppingen
Alter: 63
Kontaktdaten:

Re: Honda CT 110

Beitrag von Bernd »

sfritzle hat geschrieben:Daily News
Das Zündschloss musste ich zerlegen, ein Kontaktplätchen war verklemmt und schaltete den Stom nicht weiter. :(
IMG_2338.JPG
Die Elektrik unterhalb der Gürtellinie ist fertig, alles funktioniert :sonne: außer Lichschalter und vorderer Bremslichtschalter.
IMG_2337.JPG
Für jetzt ist ersmal gut, Heute ist Stammtich, Männerstammtisch wie immer im Freien !
Männerstammtisch im Freien! Saucool!
Bei uns heist Garagenbier. Allerdings grillen wir nur Draußen, gegessen wird aber drinnen. Der Einen hat Schnupfen, dem Anderen ist es zu kalt. Usw.
Alte Männer eben.

Erzähl mal was von Deinem Stammtisch, gerne auch im neuen Thread.

Gruß
Bernd
Bild
Honda SH150i, KF13

Benutzeravatar
hansvonholstein
Beiträge: 358
Registriert: Mi 2. Jul 2014, 11:55
Fahrzeuge: Ein 89er POSTGOLF und eine olle S-Klasse von 1977.
Dazu die SMC SUPER 120 deluxe.
Wohnort: Eckernförde
Alter: 62

Re: Honda CT 110

Beitrag von hansvonholstein »

Ob sie fertig sein wird, wenn der erste Schnee fällt??? :shock: :shock:

Dafür scheint sie wie gemacht. :up2:

Jedenfalls ganz großes Kino hier.

Danke, sfritzle!! :prost2:
Und kost Benzin auch drei Mark zehn (1,55 EUR),
Scheißegal, es wird schon gehn!

Markus, deutscher Philosoph, 1982

sfritzle
Beiträge: 93
Registriert: Sa 6. Dez 2014, 13:42
Fahrzeuge: C50, ST50, PC50, CT110,
Wohnort: im Süd-Westen
Alter: 66

Re: Honda CT 110

Beitrag von sfritzle »

Oginol hat dieses Baujahr keinen Lichtschalter, das Rücklicht schaltet/leuchtet mit der Zündung.
Der Scheinwerfer sobald der Motor läuft.
Immer Licht ist manchmal äuserst nachteilig, (z.b. beim Wildern. :lol: ) ist ja eine Hunter !
Drum hab ich den Lichtschalter von Suchy's Gasgriff wieder in betrieb gesetzt und an den von Honda vorgesehenen Verbindungen zwischengeschaltet.
Danke Honda :up2:
IMG_2350.JPG
Die Kabel waren kurz abgeschnitten, zu kurz um daran Neue anzulöten, da die Lötstelle im Schalter gewesen wäre.

Mikrochirurgie
IMG_2351.JPG
drum hab ich die Kabel ganz ersetzt
IMG_2352.JPG
und das Ganze im Schaltplan nachgetragen
honda-ct110-81- mit Lichtschalter.jpg
Die Lösung für alle Probleme dieser Welt kann man in nur einem Wort zusammenfassen. Genügsamkeit.

sfritzle
Beiträge: 93
Registriert: Sa 6. Dez 2014, 13:42
Fahrzeuge: C50, ST50, PC50, CT110,
Wohnort: im Süd-Westen
Alter: 66

Re: Honda CT 110

Beitrag von sfritzle »

Keine Leerlaudrehzahl !
Heute habe ich den Vergaser zerlegt und gereinigt, die Leerlaufdüse war zu.
Beim Gaswegnehmen ging sie immer aus.
IMG_2368.JPG
Der Benzinhahn ist nach der Roßkur mit der Bremsflüssigkeit wieder dicht, mal sehen wie lange. :yawn:
IMG_2363.JPG
IMG_2367.JPG
gleich die Spritschläuche ersetzt und zwei Filter eingesetzt.
IMG_2366 - Kopie.JPG
was fehlt ist die Feder des Chokehebels :( mal sehen was ich da mache :think:
Die Lösung für alle Probleme dieser Welt kann man in nur einem Wort zusammenfassen. Genügsamkeit.

Benutzeravatar
tomaso
Beiträge: 68
Registriert: Mo 24. Mär 2014, 11:53
Wohnort: Kölner Norden

Re: Honda CT 110

Beitrag von tomaso »

Wenn auch nicht vom Christkind, aber.......

Vielleicht kann ich Dir so eine Feder zukommen lassen ?

Hab aus diversen Honda Chaly/Camino- Basteleien noch diverses Kleinstmaterial auf Lager.

Hab´s mal anhand deines Bildes verglichen. Sollte eigentlich passen, was denkst Du?
keihin feder.JPG
Wellendurchmesser 5,0 mm , Höhe des Federpakets : 2mm


Frohes Fest,

tomaso

Antworten

Zurück zu „Cheap Urban Bikes -alt und neu-“